首页
关于我们
公司简介
新闻动态
公司动态
行业资讯
产品展示
嘉准产品
万鑫产品
亿太诺产品
资料下载
联系我们
首页
>
产品展示
>
亿太诺产品
>
气缸
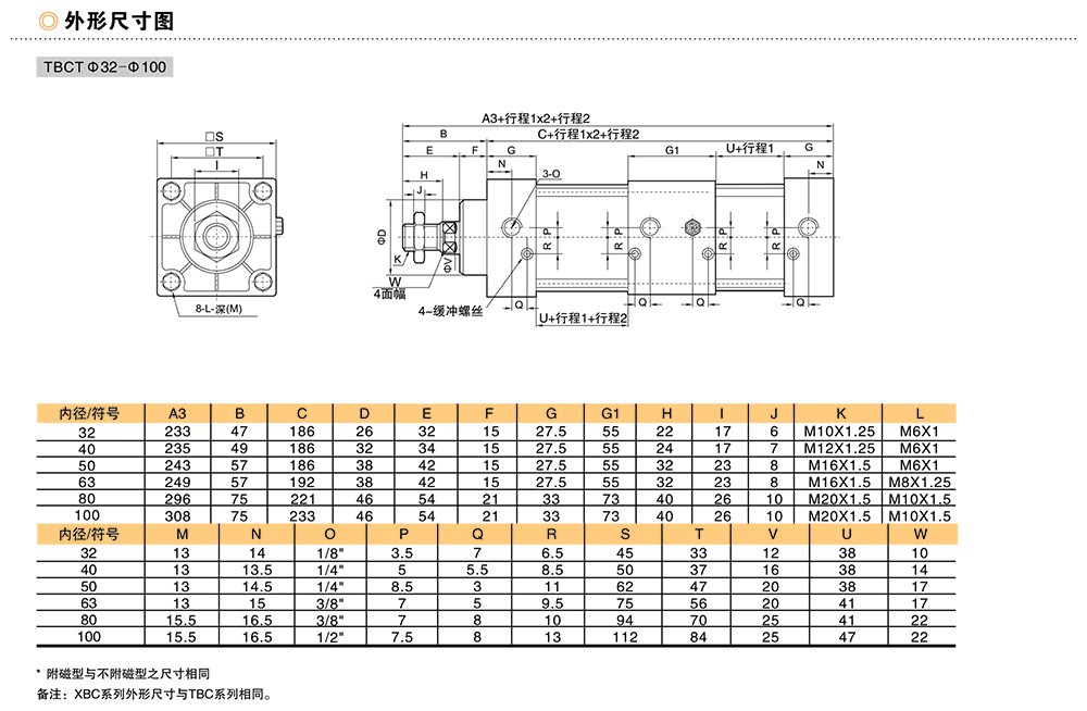
TBC/XBC系列标准气缸
TBC/XBC系列标准气缸
产品介绍
产品推荐
ELS系列精密滑台
ELQ系列精密滑台气缸
EXH系列精密滑台气缸
EXSW系列滑台气缸
SG系列新薄型带导杆气缸
EXS系列双轴气缸
EXSW系列滑台气缸
EN系列双轴复动型气缸
ESWT系列导杆型无杆气缸