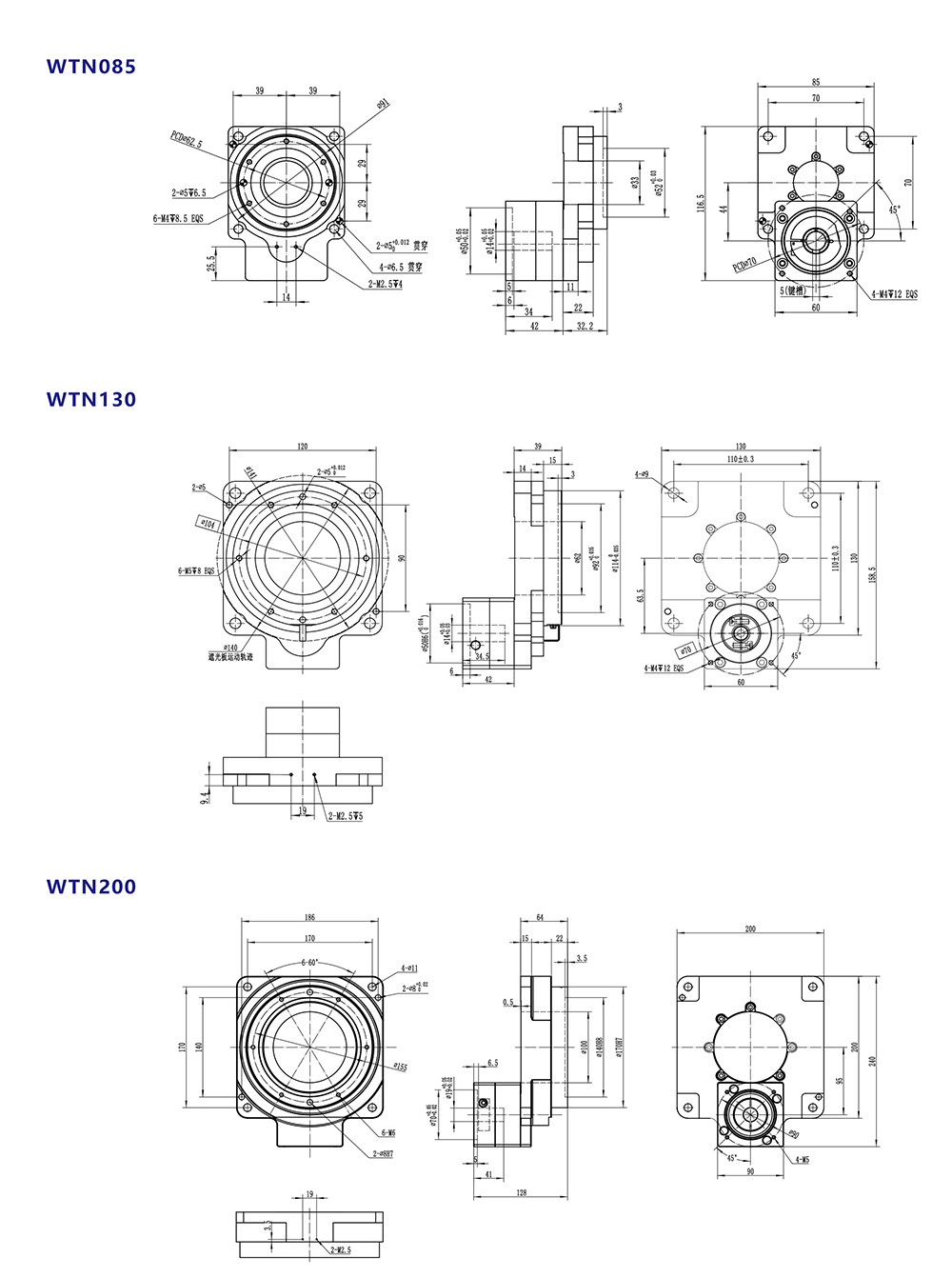
中空旋转平台
中空旋转平台,旋转面可直接连接 工作零件,提升安装的方便性。中空式的设计,配线配管都方便使用。高精度,重复定位精度可达土15arcsec。
产品特点
Features
1.旋转面可直接连接 工作零件,提升安装的方便性。
The rotary surface can be connected with parts directly which is more convenient for installation.
2.高精度,重复定位精度可达土15arcsec。
High precision,repeated positioning accuracy can reach to 15 arcsec
3.中空式的设计,配线配管都方便使用。
Hollow design,very convenient for go through the line
4.可搭载各种厂家的伺服和步进电机。
Can be equipped with various brands of servo and step motor
5.大口径中空旋转平台中空径最大中100mm
The maximum diameter of the large hollow Rotary Platform is 100mm




